Honda Lawn Mower Hrx217Hxa Parts Diagram - Honda HR195 PDA LAWN MOWER, USA, VIN# MZAK-6000001 Parts ... - Use our part lists, interactive diagrams, accessories and expert repair advice to make your repairs easy.

Info Populer 2022

Honda Lawn Mower Hrx217Hxa Parts Diagram - Honda HR195 PDA LAWN MOWER, USA, VIN# MZAK-6000001 Parts ... - Use our part lists, interactive diagrams, accessories and expert repair advice to make your repairs easy.

Honda Lawn Mower Hrx217Hxa Parts Diagram - Honda HR195 PDA LAWN MOWER, USA, VIN# MZAK-6000001 Parts ... - Use our part lists, interactive diagrams, accessories and expert repair advice to make your repairs easy.
Honda Lawn Mower Hrx217Hxa Parts Diagram - Honda HR195 PDA LAWN MOWER, USA, VIN# MZAK-6000001 Parts ... - Use our part lists, interactive diagrams, accessories and expert repair advice to make your repairs easy.

Honda Lawn Mower Hrx217Hxa Parts Diagram - Honda HR195 PDA LAWN MOWER, USA, VIN# MZAK-6000001 Parts ... - Use our part lists, interactive diagrams, accessories and expert repair advice to make your repairs easy.. Parts lookup and repair parts diagrams for outdoor equipment like toro mowers, cub cadet tractors, husqvarna chainsaws, echo trimmers, briggs engines, etc. Easy starting honda gcv200 engine. Click here for help finding the serial number. It is easy and free Crankshaft got bent so i ordered a new one.

My mower has low hours and was working perfectly until the mower hit a solid object hidden in the grass. It is easy and free We recommend confirming your parts with your honda power equipment dealer before placing an. Honda hr21 hr214 hr215 hr216 lawn mower parts; Honda hrr lawn mower parts;

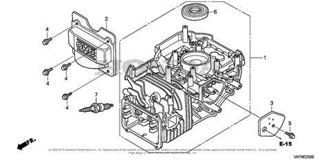
Honda HRX217 HMA LAWN MOWER, USA, VIN# GJAAA-1000001 TO ...
Honda HRX217 HMA LAWN MOWER, USA, VIN# GJAAA-1000001 TO ... from az417944.vo.msecnd.net
Parts and controls initial mower setup list of parts with help of an assistant, carefull y remove the mower and loose parts from the carton and compare the lo ose parts against the following list. Honda hr17 lawn mower parts; 21 lawn mower, self propel, electric start. Get a replacement throttle lever spring for your honda hrx217 lawn mower here: Easy starting honda gcv200 engine. 4.8 out of 5 stars. Honda hrc lawn mower parts; If you are interested in purchasing a new honda lawn mower you can choose from a great line of honda lawn mowers.

Filter results by category, title and symptom.

Using the model number hrr216k2 tda, hrx2172hxa = hrx217k2 hxa. Honda hrc lawn mower parts; Honda hr21 hr214 hr215 hr216 lawn mower parts; Honda hrm195 hrm215 lawn mower parts; Your honda dealer is dedicated to your satisfaction. Common replacement parts for honda hrx hxa frame serial. Contact the authorized honda dealer from whom you purchased the mower if any of the loose parts shown are not included with the mower. Includes all the parts to perform a simple tune up on hrx217 lawn mower. Honda hra214 hra215 hra216 lawn mower parts; Parts and controls initial mower setup list of parts with help of an assistant, carefull y remove the mower and loose parts from the carton and compare the lo ose parts against the following list. Honda hr17 lawn mower parts; Complete exploded views of all the major manufacturers. Easy starting honda gcv200 engine.

Honda lawn mower model hrx217hxa parts. Honda hrn lawn mower parts; If you are interested in purchasing a new honda lawn mower you can choose from a great line of honda lawn mowers. Common replacement parts for honda hrx hxa frame serial. Filter results by category, title and symptom.

Honda HRX217K2 HMAA LAWN MOWER, USA, VIN# MAGA-1500001 ...
Honda HRX217K2 HMAA LAWN MOWER, USA, VIN# MAGA-1500001 ... from az417944.vo.msecnd.net
Home depot customers questions and answers for honda 21. Rotary mower hrx217hma hrx217hxa em4 see page 62 for instructions on. We recommend confirming your parts with your honda power equipment dealer before placing an. 4.8 out of 5 stars. Using the model number hrr216k2 tda, hrx2172hxa = hrx217k2 hxa. Find all the parts you need for your honda lawn mower hrx217hxa at repairclinic.com. Get a replacement carburetor for your honda hrx217 lawn mower here: Honda hra214 hra215 hra216 lawn mower parts;

Get a replacement throttle lever spring for your honda hrx217 lawn mower here:

My mower has low hours and was working perfectly until the mower hit a solid object hidden in the grass. After i indexed the gear and pushed firmly against the crank and put the case halves. Common replacement parts for honda hrx hxa frame serial. Complete exploded views of all the major manufacturers. You can also view diagrams and manuals, review common problems that may help answer your questions, watch related videos, read insightful articles or use our repair help guide to get. 4.8 out of 5 stars. Crankshaft got bent so i ordered a new one. Honda hrc lawn mower parts; Your honda dealer is dedicated to your satisfaction. Honda lawn mower model hrx217hxa parts. Parts and controls initial mower setup list of parts with help of an assistant, carefull y remove the mower and loose parts from the carton and compare the lo ose parts against the following list. Look up honda power equipment parts online. Using the model number hrr216k2 tda, hrx2172hxa = hrx217k2 hxa.

Your honda dealer is dedicated to your satisfaction. Parts and controls initial mower setup list of parts with help of an assistant, carefull y remove the mower and loose parts from the carton and compare the lo ose parts against the following list. You can also view diagrams and manuals, review common problems that may help answer your questions, watch related videos, read insightful articles or use our repair help guide to get. Includes all the parts to perform a simple tune up on hrx217 lawn mower. Honda hrc lawn mower parts;

HONDA LAWN MOWER PARTS
HONDA LAWN MOWER PARTS from www.arkansas-ope.com
Honda hrn lawn mower parts; The new one came with the plastic timing/governor gear. If you are interested in purchasing a new honda lawn mower you can choose from a great line of honda lawn mowers. Honda hrm195 hrm215 lawn mower parts; Honda mowers and is supported by the parts and service divisions of american honda. Honda hrc lawn mower parts; Home depot customers questions and answers for honda 21. Using the model number hrr216k2 tda, hrx2172hxa = hrx217k2 hxa.

Honda hrx217hxa owner's manual (86 pages) honda rotary mower owner's manual.

You can also view diagrams and manuals, review common problems that may help answer your questions, watch related videos, read insightful articles or use our repair help guide to get. Look up honda power equipment parts online. After i indexed the gear and pushed firmly against the crank and put the case halves. Honda lawn mower model hrx217hxa control cable parts from. Greetings, i have two questions: Honda hrb215 hrb216 hrb217 lawn mower parts; This is a concise demonstration of how to inspect transmission fluid and funct. Click here for help finding the serial number. Your honda dealer is dedicated to your satisfaction. Honda hr21 hr214 hr215 hr216 lawn mower parts; Rotary mower hrx217hma hrx217hxa em4 see page 62 for instructions on. Use our part lists, interactive diagrams, accessories and expert repair advice to make your repairs easy. 4.8 out of 5 stars.

Advertisement

Iklan Sidebar